
CB-B多功能齿轮泵
CB-B多功能齿轮泵产品名:
CB-BSH水齿轮泵 CB-YM油墨耐油泵 CB-BJ焦油泵 CB-BNS不锈钢耐酸、碱齿轮泵
不锈钢齿轮泵产品简述

多功能齿轮油泵是我厂根据客户使用场合而设计的产品。该泵主要采用优质合金钢为心脏,泵体为HT300铸件,表面经氮化处理,传动采用SF-1型复合轴承,轴向油封采用骨管架及高温橡胶油封。该泵广泛适用于抽水、油墨、煤油、高温耐酸,也可用作陶瓷、玻璃等行业的锅炉输油用泵。
不锈钢齿轮泵产品型号说明

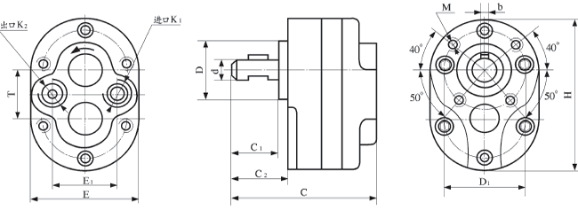
不锈钢齿轮泵产品外形图

不锈钢齿轮泵产品技术参数
|
型号 |
额定流量 h/min |
额定排量 ml/r |
容积效率 ηv% |
总效率 ηbdt% |
驱动功率 w |
额定压力 Pa |
额定转速 min |
压力脉动 Pa |
| CB-B 10 | 10 | 7 | ≤80 | ≤70 | 0.82 | 2.5 | 1500 | ±0.15 |
| CB-B 25 | 25 | 17 | ≤90 | ≤80 | 1.3 | |||
| CB-B 63 | 63 | 44 | ≤94 | ≤82 | 2.6 | |||
| CB-B 100 | 100 | 70 | ≤95 | ≤85 | 5.1 |
不锈钢齿轮泵产品技术规格
|
型号 |
C |
E |
H |
C1 |
C2 |
D( |
D1 |
d |
E1 |
T |
b |
M |
K1 |
K2 |
| CB-B 10 |
94 |
66 |
96 |
25 |
30 |
a35 |
a50 |
a12 |
35 |
30 |
4 |
M6 |
K3/8" |
K3/8" |
| CB-B 25 |
115 |
90 |
132 |
30 |
35 |
a50 |
a65 |
a6 |
50 |
42 |
5 |
M8 |
K3/4" |
K3/4" |
| CB-B 63 |
144 |
102 |
154 |
35 |
40 |
a55 |
a80 |
a22 |
55 |
52 |
6 |
M8 |
K1" |
K3/4" |
| CB-B 100 |
165 |
121 |
186 |
45 |
50 |
a70 |
a95 |
a30
|
65 |
65 |
8 |
M8 |
K1/4" |
K1" |
联系我们
联系人:白爱东(厂长)
Tel:0523-85910444
Fax:0523-87895444
手机:(0)13952669444
产品分类
技术支持
信息中心
Tel:0523-85910444
Fax:0523-87895444
手机:(0)13952669444
© 2006-2010 泰兴市弘圣液压机械制造厂 All Rights Reserved